APG -NVR-9964UN-2U

NVR嵌入式网络硬盘录像机

产品咨询
400-4008-999 拨打全国热线了解更多

全面支持ONVIF 及GB/T28181 标准

采用单颗高性能嵌入式芯片及LINUX操作系统
64路H.265/H.264混合接入实时录像
支持HDMI超高清4K显示
支持2个HDMI和1个VGA,双屏拼接、扩展
支持2个千兆网卡
4个通道录像同步回放
采用标准H.265/H.264视频压缩算法
接入图像质量12MP/8MP/6MP/5MP/3MP/1080P/720P
360M接入/360M存储/300M转发
8个SATA硬盘接口,最大支持6TB硬盘
支持硬盘冗余录像方式
支持语音对讲
智能时间标签/分时回放/高速回放


系统

主处理器

工业级嵌入式微控制器

操作系统

嵌入式LINUX操作系统

系统资源

360M 接入/360M存储/300M转发

视频参数

画面显示

1/4/8 /9/16/32 画面显示(双屏拼接、扩展)

录像图像质量

12MP/8MP/6MP/5MP/3MP/1080P/720P/D1/CIF

视频压缩标准

H.265/H.264/MPEG

码流类型

限定码流,可变码流

回放图像质量

4K/1080P/720P/D1/CIF/QCIF

录像管理

本地回放

支持4路同步回放

录像查询方式

智能时间标签、时间点检索、日历检索、事件检索、通道检索

录像保存

本机硬盘/网络

备份方式

网络/USB/本机硬盘/eSATA

视频

视频输入

64 路 H.265/H.264混合接入

VGA 输出

1 路VGA(最高1080P显示输出)

HDMI 输出

2 路HDMI,HDMI1(最高4K显示输出),HDMI2(最高1080P显示输出)

音频

音频压缩

G.711

音频对讲输入

1 路BNC

音频输出

1 路BNC

外部I/O

报警输入

16 路报警输入

报警输出

4 路继电器输出(24V DC 2A,120V AC 1A)

RS485 接口

2 个RS485

RS232 接口

1 个RS232

USB 接口

2 个USB2.0和1个USB3.0

硬盘

硬盘

8 块硬盘

eSATA 接口

2 个

硬盘容量

3.5”500/750GB/1TB/2TB/3TB/4TB/6TB , SATA 磁盘

硬盘安装

支持热插拔

网络特性

网络键盘

支持

网络接口

2 个RJ45 10M/100M/1000M自适应以太网口

电气特性

电源

AC220V

功耗

<35W(不含硬盘)

物理特性

工作温度

+10 ℃~+55℃

工作湿度

10% ~ 90% RH

大气压

86kpa ~106kpa

机箱

19 英寸标准2U机箱

外型尺寸

438( 长)x433(宽)x88(高)mm

重量

6.5kg

安装方式

机架安装,台式安装

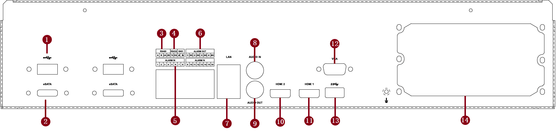
1 –USB2.0接口

2 –eSATA接口

3 –RS485

4 –RS232

5 –报警输入

6 –报警输出

7 –RJ45

8  –音频输入接口

9  –音频输出接口

10 –HDMI2接口

11 –HDMI1接口

12 –VGA接口

13 –USB3.0接口

14 –电源接口


联系我们

联系我们

400-631-6166
产品目录

产品目录